EUR (€)
Pound Sterling - GBP (£) Euro - EUR (€)
What Year is my Cart?
Call us: + 31 30 233 44 05
Contact us
Help & Services
What's New All Brands Recently viewed products Compare products list
About us Our team Join our team Disclaimer Become a reseller
F.A.Q.
Tutorials
General Terms and Conditions
Log in
Carrus
Menu
Log in
0 Compare
Products
Compare
0 Wish
List
Wishlist
0 Shopping
Basket
Basket
4 Quotation
List
Quotation
  • Golf cart parts
  • Carts, new & used
  • Carrus brochures
Accelerator & brake group Alarm & Security Bag racks/wells & parts Ball/Club Washers and Coolers Batteries & parts UTV accessories Belts Body panels & parts Bolts/nuts/screws/rivets Bumpers & parts Cabins & parts Carburetors & parts
Cargo Boxes and Parts * Chargers & parts Clutches & parts Control cables & parts Controllers & parts Dashes & Accessories Decals Enclosures & covers Engines (petrol/diesel) & parts Fans, Heaters and Thermometers Filters Floor mats Fuel parts
Fuses & parts F&R switches & parts Horns & Parts Ignition & parts Intake & parts Key switches & keys Lift kits & parts Light & parts Mirrors & parts Motors (Electric) & parts Mufflers & parts Roofs & parts Sand & Seed Kits, Trays
Seats & parts Solenoids & parts Speedometers Starter generators & parts Steering & parts Stretch Kits Suspension, front & parts Suspension, rear & parts Tires/rims & parts * Transmission/drive parts Tools Tow and push bars (Hitches) & parts Windshields & parts
Carts on Stock Carts recently arrived

Carrus carts

Club Car, E-Z-GO, Yamaha, MadJax

Carts in stock
Carts that are in our warehouse and that are ready for transport

Coming soon,  
Carts which are expected

Carts recently arrived  
Carts that arrived in our warehouse in the last 7 days

Carrus brochures
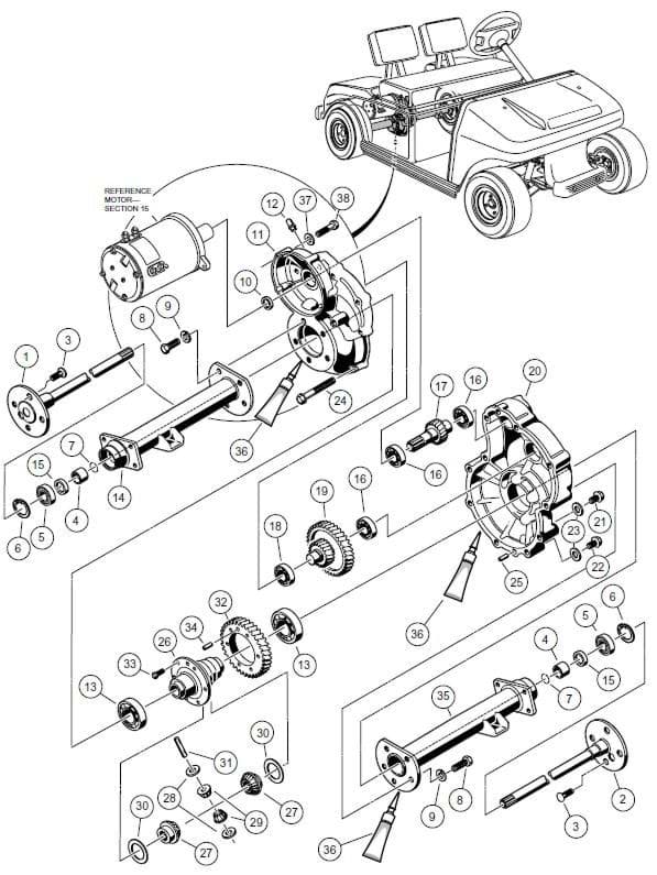
  1. E-Z-GO TXT Electric 4-zitter
Picture of E-Z-GO TXT Electric 4-zitter

E-Z-Go Txt Electric 4-Zitter

Part No.:  G9752-82293
RSP price : € 0,00 excl. tax
Parts can be backordered
Notify me when available
Add to List
Compare
Questions?
Email a friend
Quotation
  • DescriptionE-Z-Go Txt Electric 4-Zitter
  • Documents
E-Z-Go Txt Electric 4-Zitter

Recently viewed products

Picture of E-Z-GO TXT Electric 4-zitter
Part# G9752-82293

E-Z-Go Txt Electric 4-Zitter

Information

  • All Brands
  • What's New
  • Recently viewed products
  • Compare products list

Service Service

  • Contact us
  • Payment info
  • F.A.Q.
    Returns

Company Company

    Become a reseller
    Disclaimer
  • Privacy policy
  • General Terms and Conditions

Subscribe to newsletters

Subscribe
* All prices excl. VAT, plus shipping
Shopsystem by SmartStore AG © 2025
Copyright © 2025 Carrus. All rights reserved.
Carrus is using cookies, to guarantee the best shopping experience. Partially cookies will be set by third parties. Privacy Info
  • Shopping Cart 0
  • Wishlist 0
  • Compare 0